動力單(dan)元系列
推薦新聞
- 左傾斜油缸總(zǒng)成怎麼拆卸(左傾(qīng)斜油缸總成怎麼(me)拆卸圖🈲解)
- 做油缸(gāng)和活塞怎麼計算(suàn)油耗,油缸是怎麼(me)做出來的
- 3米油(you)缸怎麼拆開清洗(xi),液壓油缸怎麼拆(chāi)開
- 3米油缸怎(zen)麼拆開,3米油缸怎(zen)麼拆開圖解
- 2噸(dun)油缸怎麼選型号(hào),油缸行程怎麼選(xuǎn)
- 2噸的油缸怎(zěn)麼調大小,油缸壓(yā)力怎麼調
- 2噸的油缸怎麼放(fang)氣,2噸的油缸怎麼(me)放氣的
聯系(xì)我們
郵(yóu)箱:[email protected]
當(dang)前位置:液壓油缸(gāng)主頁 > 液壓站系統(tong) > 動力單元系列 > 登(dēng)車橋動力單元 > 登(deng)車橋用動力單元(yuán)規格型号/圖片/參(cān)數/結構圖
登車(chē)橋用動力單元參(can)數大全

1.液壓(yā)系統壓力: 160bar
3.液壓泵排(pai)量:3.2cc/r
4.電機功率:1.5KW ; AC380V
5.電機(ji)轉速:1440r/min
7.顔色:默認紅色/白(bai)色塑料
8.安裝方式(shi):卧式
10.應用(yong)場合: 貨車

**為電磁(ci)換向閥電壓
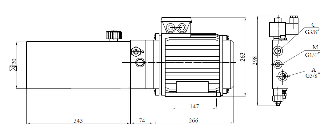
外形(xíng)圖片

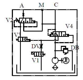
此液壓動力(lì)單元由高壓齒輪(lún)泵、交流電機、液壓(yā)閥、油箱等零部件(jiàn)有機結合為一體(tǐ)。為液壓登車橋提(tí)🐆供大小橋闆的升(sheng)降和閉合功能,可(ke)控制兩組單作用(yòng)油缸。

- 上一篇:沒有(yǒu)了
- 下一篇:沒有了(le)






客服(fu)QQ