液(yè)壓油缸
拉杆(gan)液壓油缸
重(zhòng)型液壓油缸(gang)
冶金液壓油(you)缸
雙向液壓(yā)油缸
多節伸(shen)縮液壓油缸(gang)
農機液壓油(you)缸
車輛液壓(yā)油缸
工程液(ye)壓油缸
伺服(fú)液壓油缸
非(fēi)标液壓油缸(gāng)
超高壓液壓(yā)油缸
挖掘機(ji)液壓油缸
液(ye)壓油缸配件(jiàn)
推薦新聞
- 左右(you)轉向油缸怎(zen)麼拆裝的,左(zuo)右轉向油缸(gāng)怎麼拆裝㊙️的(de)視頻
- 左傾斜油(you)缸總成怎麼(me)拆卸(左傾斜(xie)油缸總成怎(zen)麼拆卸圖㊙️解(jiě))
- 做油缸和(hé)活塞怎麼計(jì)算油耗,油缸(gāng)是怎麼做出(chu)來的
- 做油缸(gang)裝配怎麼樣(yàng),做油缸裝配(pèi)怎麼樣才算(suan)合格
- 3米(mǐ)油缸怎麼拆(chāi)開清洗,液壓(ya)油缸怎麼拆(chai)開
- 3米油缸(gāng)怎麼拆開,3米(mǐ)油缸怎麼拆(chāi)開圖解
- 2噸油(you)缸怎麼選型(xing)号,油缸行程(chéng)怎麼選
- 2噸(dun)的油缸怎麼(me)調大小,油缸(gāng)壓力怎麼調(diào)
- 2噸的油(you)缸怎麼放氣(qì),2噸的油缸怎(zěn)麼放氣的
- 油(yóu)缸怎麼修複(fu),油缸彎了可(kě)以修複嗎
聯(lián)系我們
挖掘機油缸(gāng)
廠家品牌:山(shan)東國立液壓(yā)
公司模式:生(shēng)産廠家
加工(gong)方式:來圖定(ding)制
銷售批量(liàng):一台
産品價(jià)格:在線報價(jia)
産品簡介:
銷(xiāo)售區域:江蘇(su),山東,廣東,浙(zhe)江,安徽,河北(bei),河南,四川,遼(liao)甯,湖北,蘇州(zhou),深圳,杭州,北(bei)京,無錫,成都(dōu),濟南,鄭州,上(shang)海,青島,蚌埠(bu)
産品标簽:
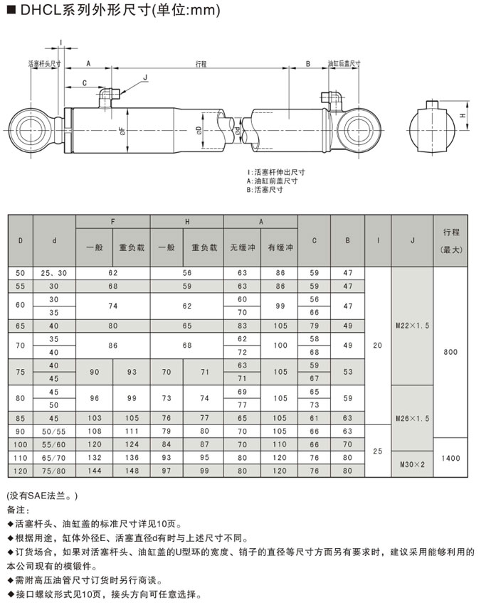
挖掘(jué)機油缸參數(shu)大全
- 技術參(cān)數
- 型号說明(ming)
- 系統特性
- 行(háng)業應用


- 上一(yi)篇:沒有了
- 下(xia)一篇:沒有了(le)





客服QQ