動力單(dan)元系列
推薦新聞
- 左傾斜油缸總(zǒng)成怎麼拆卸(左傾(qīng)斜油缸總成怎麼(me)拆卸圖解)
- 做油缸(gāng)和活塞怎麼計算(suàn)油耗,油缸是怎麼(me)做出來的
- 3米油(you)缸怎麼拆開清洗(xi),液壓油缸怎麼拆(chāi)開
- 3米油缸怎(zen)麼拆開,3米油缸怎(zen)麼拆開圖解
- 2噸(dun)油缸怎麼選型号(hào),油缸行程怎麼選(xuǎn)
- 2噸的油缸怎(zěn)麼調大小,油缸壓(yā)力怎麼調
- 2噸的油缸怎麼放(fang)氣,2噸的油缸怎麼(me)放氣的
聯系(xì)我們
郵(yóu)箱:[email protected]
當(dang)前位置:液壓油缸(gāng)主頁 > 液壓站系統(tong) > 動力單元系列 > 小(xiǎo)型交流升降平台(tai) > 醫療用微型動力(li)單元規格型号/圖(tu)片/參數/結構圖
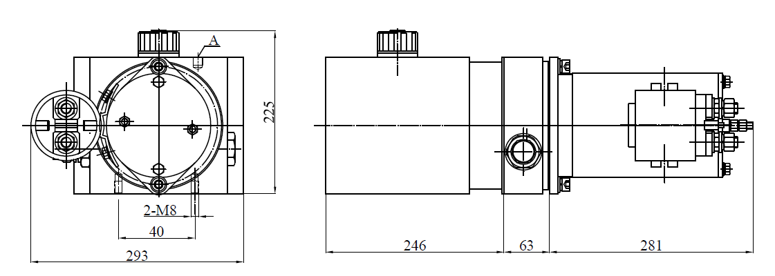
醫療用微型動(dong)力單元參數大全(quan)
1.液壓系統壓(ya)力: 100/65 bar
2.液壓油箱體積(ji):1L
3.液壓泵排量:0.25,0.5 cc/r
5.電機轉速:2000r/min
6.功(gong)能:提供液壓動力(lì)源
8.安(ān)裝方式:卧式
9.油箱(xiang)材料:鐵皮(1-1,5mm),工程塑(sù)料
10.應用場合: 醫療(liao)設備中的電動手(shǒu)術床

**為電磁換向(xiàng)閥電壓
外形圖片(piàn)

- 上一篇:沒有(yǒu)了
- 下一篇:沒有了(le)







客服(fú)QQ